BOSCH REXROTH
R900407439
                    $495.94 USD
- BOSCH REXROTH
- Material:R900407439
- Model:Z2S10-1-3X/V GO2
Quantity in stock: 7
The Bosch Rexroth Z2S10-1-3X/V (R900407439) is a high-performance industrial hydraulic valve designed for reliable, leakage-free blocking of selected ports. This direct-actuated seat valve is mechanically actuated and is ideal for controlling pilot control valves. It features a spool symbol A A, B B and can handle a maximum pressure with various electrical connection options. The Z2S10-1-3X/V valve serves as an isolator in a sandwich plate design, suitable for applications requiring the secure blocking of one or two actuator ports even during extended periods of inactivity. It allows free flow from A to A or B to B while blocking the opposite direction. The valve operates by moving the control spool, which opens the ball seat valve and allows hydraulic fluid to flow through. Equipped with preopening capabilities, the Z2S10-1-3X/V ensures damped decompression to mitigate potential switching shocks. Its two-stage setup with an increased control open ratio guarantees that even low pilot pressures can be securely unloaded. This model comes in various types with or without preopening features (e.g., ZS with preopening, ZS A, ZS ASO without preopening). It adheres to ISO porting patterns and offers different cracking pressures. The valve also comes with check valve installation sets available separately. Designed for vertical stacking applications, this sandwich plate valve is corrosion protected and suitable for various hydraulic fluids including HL, HLP, HLPD, HVLP, HVLPD, HETG, HEES, HEPG, HFDU, and HFDR. The seals are made from FKM material ensuring durability and compatibility with different fluids. With its robust construction and versatile design featuring multiple ports and switching positions along with a weight optimized for its size and capacity specifications – max flow l/min – the Bosch Rexroth Z2S10-1-3X/V ensures efficient operation in hydraulic systems requiring precise flow control.
Size 10, A1 → A2, B1 → B2, mechanically actuated
Industrial hydraulic valve in a high performance range. Reliable leakage-free blocking of selected ports.
Unpacked Weight: 2.66 kg
The isolator valve type Z2S is a releasable check valve in sandwich plate design.
It is used for the leakage-free blocking of one or two actuator ports, also in case of longer standstill times.
In direction A① to A② or B① to B②, there is a free flow; in the opposite direction, the flow is blocked.
If, for example, there is a flow through the valve in direction A① to A②, the control spool (1) is moved in the direction of the B side, opens the ball seat valve (2) and then pushes the poppet (3) off its seat. Hydraulic fluid can now flow from B➁ to B➀.
In order to allow the ball seat valve (2) to be safely closed, the control spool (1) must be hydraulically unloaded (see circuit example).
Pre-opening
Due to the pre-opening, there is a damped decompression of the pressurized liquid. Thus, possible switching shocks are avoided. The two-stage set-up with an increased control open ratio means even low pilot pressure can be unloaded securely.Type Z2S 10 ‒… (with pre-opening)
Type Z2S 10 A…
Type Z2S 10 A…SO40
Type Z2S 10 A…SO60
Type Z2S 10 ‒…SO41 (without pre-opening)
Type Z2S 10 ‒…SO14
Circuit example, schematic
| 1 | Control spool, area A2 | 
| 2 | Ball, area A3 | 
| 4 | Poppet, area A1 | 
| 5 | Stop | 
| 6 | Control spool, area A4 | 
| ① | component side | 
| ② | plate side | 
Notice:
In valves without pre-opening, sudden unloading of pent-up pressure volume may occur. Resulting switching shocks may lead to premature wear on installed components, as well as noise formation.
Notice:
Deviating from ISO 4401, port T is in this data sheet called TA, port T1 is called TB.
| Seat valve | 
| Direct actuated | 
| Control of pilot control valve | 
| Component series 3X | 
| Size 10 | 
| Maximum operating pressure 315 bar | 
| Maximum flow 120 l/min | 
| Data Sheet | Download Data Sheet | 
| 3D CAD | Download 3D CAD | 
| Manual | Download Manual | 
| Manual | Download Manual | 
| Manual | Download Manual | 
| Manual | Download Manual | 
| Manual | Download Manual | 
| Spool symbol | A1 → A2, B1 → B2 | 
| Max. pressure | 315 | 
| Electrical connection description | 0 | 
| Productgroup ID | 9,10,11,12,13,14 | 
| Number of ports | 4 | 
| Type of actuation | with mechanical actuation | 
| Size | 10 | 
| Max. flow | 120 | 
| Type of connection | Interim assembly | 
| Connection diagram NFPA | NFPA T3.5.1 R2-2002 D05 | 
| Size_CETOP | D05 | 
| Connection diagram | ISO 4401-05-04-0-05 | 
| Number of switching positions | 2 | 
| Weight | 2.66 | 
| Seals | FKM | 
| Hydraulic fluid | HL,HLP,HLPD,HVLP,HVLPD,HETG,HEES,HEPG,HFDU,HFDR | 
| 01 | 02 | 03 | 04 | 05 | 06 | 07 | 08 | 09 | 10 | 11 | ||
| Z2S | 10 | – | 3X | / | * | 
| 01 | Check valve, Sandwich plate design | Z2S | 
| 02 | Size 10 | 10 | 
| Leakage-free blocking | ||
| 03 | In channel A and B | – | 
| In channel A | A | |
| In channel B | B | |
| Cracking pressure | ||
| 04 | 1,5 bar | 1 | 
| 3 bar | 2 | |
| 6 bar | 3 | |
| 10 bar | 4 | |
| 05 | Component series 30 ... 39 (30 ... 39: unchanged installation and connection dimensions) | 3X | 
| Corrosion resistance (outside; thick film passivation according to DIN 50979 – Fe//Zn8//Cn//T0) | ||
| 06 | None (valve housing primed) | no code | 
| Improved corrosion protection (240 h salt spray test according to EN ISO 9227) | J3 | |
| Seal material | ||
| 07 | NBR seals | no code | 
| FKM seals | V | |
| Observe compatibility of seals with hydraulic fluid used. (Other seals upon request) | ||
| Additional pilot oil ports X and Y 1) | ||
| 08 | Without X and Y | no code | 
| With X and Y | XY | |
| Spool position monitoring 2) | ||
| 09 | Without position switch | no code | 
| - Inductive position switch type QM (Version "3" only) | ||
| Monitored spool position "a" | QMA | |
| Monitored spool position "b" | QMB | |
| Special version | ||
| 10 | Without | no code | 
| Check valve with stroke limitation | SO14 | |
| Control open by external port G1/4 (only version "A" and "B") | SO40 | |
| Without pre-opening | SO41 | |
| Control spool unloaded to port T | SO60 | |
| With pre-opening and control open from channel P | SO150 | |
| Symbols (examples) see "Symbols/Circuit diagrams" | ||
| 11 | Further details in the plain text | * | 
| 1) | With version "SO150", ports X and Y are already in place. (No ordering code required) | 
| 2) | Only with version "3" (cracking pressure 6 bar) and on side with leakage-free blocking. E.g. Z2S 10 A3-3X/QMA | 
For applications outside these parameters, please consult us!
general
| Size | 10 | ||
| Weight | kg | 3 | |
| Installation position | any | ||
| Ambient temperature range | NBR seals | °C | -30 … +80 | 
| FKM seals | °C | -20 … +80 | |
hydraulic
| Size | 10 | ||
| Maximum operating pressure | bar | 315 | |
| Cracking pressure (in free direction) | See characteristic curves | ||
| Maximum flow | l/min | 120 | |
| Direction of flow | see symbols | ||
| Hydraulic fluid | see table "Hydraulic fluid" | ||
| Hydraulic fluid temperature range (at the valve working ports) | NBR seals | °C | -30 … +80 | 
| FKM seals | °C | -20 … +80 | |
| Viscosity range | mm²/s | 2.8 … 500 | |
| Maximum admissible degree of contamination of the hydraulic fluid, cleanliness class according to ISO 4406 (c) 1) | Class 20/18/15 | ||
| Area ratio | Without pre-opening | A1/A2 ~ 1/3 (see sectional drawing) | |
| With pre-opening | A3/A2 ~ 1/11,5 (see sectional drawing) | ||
| Version "SO60" | A1/A4 ~ 1/6 (see sectional drawing) | ||
| 1) | The cleanliness classes specified for the components must be adhered to in hydraulic systems. Effective filtration prevents faults and simultaneously increases the life cycle of the components. For the selection of the filters, see www.boschrexroth.com/filter. | 
| Hydraulic fluid | Classification | Suitable sealing materials | Standards | Data sheet | |
| Mineral oils | HL, HLP, HLPD, HVLP, HVLPD | NBR, FKM | DIN 51524 | 90220 | |
| Bio-degradable | Insoluble in water | HETG | NBR, FKM | ISO 15380 | 90221 | 
| HEES | FKM | ||||
| Soluble in water | HEPG | FKM | ISO 15380 | ||
| Flame-resistant | Water-free | HFDU, HFDR | FKM | ISO 12922 | 90222 | 
| Containing water | HFC (Fuchs Hydrotherm 46M, Petrofer Ultra Safe 620) | NBR | ISO 12922 | 90223 | |
| Important information on hydraulic fluids:For more information and data on the use of other hydraulicfluids, please refer to the data sheets above or contact us. There may be limitations regarding the technical valve data (temperature, pressure range, life cycle, maintenance intervals, etc.). The ignition temperature of the hydraulic fluid used must be 50 K higher than the maximum surface temperature. Flame-resistant - containing water: Maximum pressure differential per control edge 50 bar Pressure pre-loading at the tank port > 20 % of the pressure differential, otherwise increased cavitation Life cycle as compared to operation with mineral oil HL, HLP 50 … 100%. | |||||
Notice:
Selection of optimal sealing material (see "Type code") also depends on the type of hydraulic fluid used.
(measured with HLP46, ϑOil = 40 ±5 °C)
Δp-qV characteristic curves
| ① | component side | 
| ② | plate side | 
Version "A"
Version “-”, “-...SO41” and “-...SO14”
Version "B"
Version "A…SO40"
Version "A…SO60"
Version “-...SO150”
Version "A3...QMA"
Version "B3...QMB"
Notice:
Deviating from ISO 4401, port T is in this data sheet called TA, port T1 is called TB.
Inductive position switch type QM
The electrical connection is realized via a 4-pole mating connector (separate order, see "Accessories") with connection thread M12 x 1.
| Connection voltage: | 24 V +30 %/-15 %, direct voltage | |
| Admissible residual ripple: | ≤ 10 % | |
| Load capacity: | maximum 400 mA | |
| Switching outputs: | PNP transistor outputs, load between switching outputs and GND | |
| Pinout: | 1 | +24 V | 
| 2 | Switching output: 400 mA | |
| 3 | 0 V, GND | |
| 4 | Switching output: 400 mA | |
Switching logics
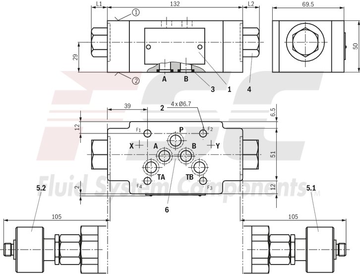
Dimensions in mm
|  | 
| Required surface quality of the valve contact surface | 
| Type | L1 | L2 | 
| mm | mm | |
| Z2S 10 ...ohne Bez. | 13.5 | 13.5 | 
| Z2S 10 ...SO14 | 13.5 | 38.5 | 
| Z2S 10 A...SO40 | 6.5 | 13.5 | 
| Z2S 10 B...SO40 | 13.5 | 6.5 | 
| Z2S 10 ...SO41 | 13.5 | 13.5 | 
| Z2S 10 ...SO60 | 13.5 | 13.5 | 
| Z2S 10 ...SO150 | 13.5 | 13.5 | 
| ① | component side | 
| ② | plate side | 
| 1 | Name plate | 
| 2 | Through hole for valve mounting | 
| 3 | Identical seal rings for ports A, B, P, TA and TB | 
| 4 | Plug screw SW30, tightening torque MA = 40+5 Nm | 
| 5.1 | Version with position switch “QMA” (for circuitry refer to "Electrical connection") | 
| 5.2 | Version with position switch “QMB” (for circuitry refer to "Electrical connection") | 
| 6 | Porting pattern according to ISO 4401-05-04-0-05, ISO 4401-05-05-0-05; deviating from ISO 4401, port T is referred to with TA and port T1 is referred to with TB in this data sheet. | 
Valve mounting screws (separate order)
| Size | Quantity | Hexagon socket head cap screws | Material number | 
| 10 | 4 | ISO 4762 - M6 10.9 | - | 
Notice:
Length and tightening torque of the valve mounting screws must be calculated according to the components mounted under and over the sandwich plate valve.
Mating connectors for sensors and valves with connector “K24”, “K35” and “K72”, M12 x 1
4P Z24
Mating connectors for sensors and valves with connector “K24”, “K35” and “K72”, M12 x 1
4P Z24
For sensors and valves with connector “K24”, “K35” and “K72” Mating connectors M12, 4-pole, line cross-section 0.75 mm2Data sheet
Spare parts & repair
Mating connectors for sensors and valves with connector “K24”, “K35” and “K72”, M12 x 1, with assembled connection line
4P Z24 +
Mating connectors for sensors and valves with connector “K24”, “K35” and “K72”, M12 x 1, with assembled connection line
4P Z24 +
For sensors and valves with connector “K24”, “K35” and “K72” Mating connectors M12, 4-pole, line cross-section 0.75 mm2Data sheet
Spare parts & repair

